今天是:
无障碍阅读
欢迎访问黄石教育局官方网站!
首 页
动 态
政府信息公开
办事服务
互 动
当前位置:
星空平台
>
政府信息公开
>
政府网站工作报表
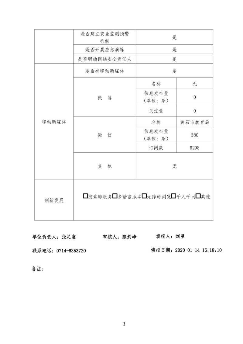
市教育局2019年度政府网站工作年度报表
来源:市教育局 作者: 时间:2020-01-17 15:25
返回星空平台
官方微信
回到顶部
mk网页中国官网入口中国有限公司
|
球友会
|
milan米兰体育app(中国)有限公司
|
星空平台(中国)股份有限公司官网
|
乐动在线平台(中国)官网
|
星空体育(中国)官方网站
|
星空体育·(StarSky Sports)官方网站
|
乐动中国有限公司
|
开云官方app下载站
|